language 中文简体 中文繁体 English 目录在线 目录下载 收藏三巨在线留言站点地图

雷竞技预测 雷竞技登录直播 专注如AC轴流风扇,DC直流散热风机生产
深圳工厂:0755-28035670业务专线:13603004952

dot雷竞技官方 - 32年散热风扇研发制造工厂

雷竞技线下活动

雷竞技Raybet·(中国区)官方网站

聚焦三巨,了解更多风扇知识

​一种可自动控制的电脑散热风扇

返回列表 发布日期: Mar 23, 2020

本文涉及电脑周边设备技术领域,特指一种可自动控制的电脑散热风扇,由外界温度变化来控制风扇的工作。

背景技术:

随着科学技术的发展,电脑被广泛应用于家庭生活及商业运作中,而且,随着电脑技术的不断创新,它对工作温度的要求越来越高。

电脑机箱上一般都安装有CPU、硬盘、光驱、刻录机等设备,每一个设备工作时都会散发出大量的热量,从而使机箱内部的温度远大于室温,影响电脑的工作;在夏季,室温过高也会影响电脑内部设备的工作。现有的机箱散热风扇,可以及时排出电脑内部的热量,但是它也有不足的地方,例如一开机的时候散热风扇就开始工作,增加了电脑的功耗,同时,散热风扇不停地工作,也在不停的制造噪音,使用者不清楚机箱内部是否需要降温。

散热风扇

实用新型内容:

本文的目的是针对现有技术的不足而提供一种可自动控制的电脑散热风扇,当外界温度大于设定值时,散热风扇自动启动,且能够显示温度值。

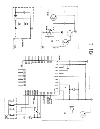
为达到上述目的,本文采用如下技术方案:它包括有散热风扇,散热风扇通过风扇控制电路连接主控芯片,主控芯片连接有程序控制器,主控芯片还连接有温度探头及多数个按键开关,温度探头置于机箱内部,通过对程序控制器的调节及对数值的预先设定,当温度探头的温度等于或大于设定值时,主控芯片控制散热风扇启动,实现自动控制。

主控芯片连接有LCD显示屏,LCD显示屏用于显示温度、风扇、硬盘、时间等信息。

主控芯片连接有蜂鸣器,当温度过高时,蜂鸣器报警。主控芯片连接有LED指示电路,当温度过高时,LED 指示电路报警。

可主控芯片连接有硬盘指示电路。

本文首先需对程序控制器进行数值的预先设定,并将温度探头置于机箱内相应的位置,当温度探头的温度超过设定值时,主控芯片控制散热风扇启动,实现自动控制,温度、风扇、时间、硬盘工作等信息可显示于LCD显示屏上,非常直观。本文具有操作简单、使用效果较佳等特点。



关闭

微信公众号

咨询热线
+86-755-2803-5670
在线客服
top
Baidu
map